





KT-Ⅰ空氣(qi)提升(sheng)器
Air elevating engine
空(kong)氣提(ti)升器(qi)廣泛(fan)适用(yong)于建(jian)材、水(shui)泥、鋁(lü)業、銅(tong)業、礦(kuang)山、輕(qing)工等(deng)行業(ye)中,凡(fan)能充(chong)氣流(liu)不發(fa)生離(li)析現(xian)象的(de)粉狀(zhuang)物🐉料(liao)均可(ke)經過(guo)垂直(zhi)管🔴道(dao)輸送(song)到30~100m高(gao)度位(wei)置的(de)料氣(qi)分離(li)倉或(huo)料庫(ku)内,适(shi)🌈用于(yu)1~15t/h的系(xi)統中(zhong)。
The engine is widely used in building material, cement, aluminum, copper, mining and light industries etc. Powder material can be transferred into the storage or material-air separator through the vertical pipe, when inflate and eduction phenomenon wouldn’t happen. The high of storage is from 30 meter to 100 meter. It is suitable for 1~15t/h system.
結構(gou)特點(dian):
Structure characteristic:
該産(chan)品整(zheng)體為(wei)鋼制(zhi)焊接(jie),全部(bu)采用(yong)優質(zhi)鋼闆(pan)焊接(jie)而成(cheng),結構(gou)緊湊(cou),性能(neng)科學(xue)合理(li),使用(yong)壽命(ming)長,安(an)裝方(fang)便,能(neng)很好(hao)的滿(man)足工(gong)況。空(kong)🔴氣提(ti)升器(qi)改進(jin)了傳(chuan)統的(de)進氣(qi)方式(shi),采用(yong)一個(ge)氣源(yuan)分二(er)路進(jin)氣的(de)方式(shi)。一路(lu)由控(kong)制蝶(die)閥進(jin)入氣(qi)室,進(jin)入氣(qi)室的(de)高壓(ya)🈲氣體(ti)通過(guo)🔆沸騰(teng)闆使(shi)上面(mian)的物(wu)料活(huo)躍跳(tiao)動發(fa)生位(wei)移。另(ling)一路(lu)由吹(chui)管向(xiang)上直(zhi)吹,經(jing)過特(te)定科(ke)🈚學設(she)計的(de)噴口(kou)形成(cheng)強勁(jin)有力(li)的高(gao)壓氣(qi)流把(ba)物料(liao)帶着(zhe)向上(shang)位移(yi),使物(wu)料到(dao)達一(yi)定高(gao)度後(hou)💰,經氣(qi)料分(fen)離器(qi)沉積(ji),氣體(ti)向上(shang)排出(chu)。
This series product is welded in fine steel, having the features of compact structure, logical and scientific performance, long life, convenient installation and can meet the working condition very well. The traditional air-entry type has been improved. Now the type is that one air headstream is divided into two-way air entry. The one enters the gas-room through control butterfly valve. The high-pressure gas moves the material on the boil plate. The other gas is blown through the pipe. The gas is translated to high-temperature through especially scientific designed nozzle to move the material upward. The material is sediment through material-gas separator after it reaches a certain height and gas is let out upwards.
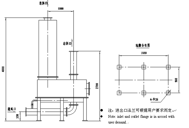
KT-Ⅰ外形(xing)圖及(ji)連接(jie)尺寸(cun):
Appearance figure and joint dimension:

湖北(bei)复微轻工制造有限公司 版權(quan)所有(you) 荊州(zhou)百捷(jie) 技術(shu)支持(chi)
地址(zhi):荊州(zhou)市沙(sha)市區(qu)十号(hao)路 咨(zi)詢熱(re)線:0716-8878286
·
·